Serrure en applique verticale à fouillot - pêne dormant - ALSACE FTH THIRARD
Les points clés :
- À choisir : tirant / poussant
- Mécanisme à 2 tours de clé
À partir de
Référence 4 versions disponibles 4 versions disponibles
En stock chez notre fournisseur
Produits similaires
Descriptif détaillé
Description
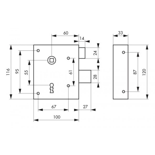
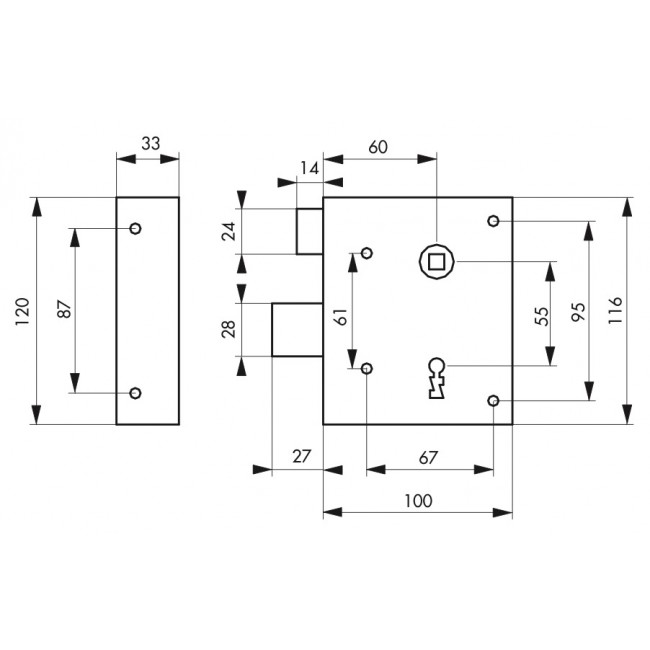
Serrure en applique verticale à fouillot carré avec pêne dormant ALSACE FTH THIRARD
Cette serrure avec installation en applique verticale possède un coffre et une gâche en acier cambré.
Le pêne et le demi-tour sont en acier.
Le mécanisme de cette serrure est doté de 2 tours de clé.
Contenu du colis
Livré avec 2 clés nickelées
Caractéristiques techniques
Avec gâche | Oui |
---|---|
Axe au fouillot | 60 mm |
Axe à la clé | 60 mm |
Dimension du carré | 8 mm |
Finition | Zingué |
Hauteur du coffre | 116 mm |
Largeur du coffre | 100 mm |
Matière du coffre | Acier cambré |
Nombre de points | 1 |
Type de pose | En applique |
Code fabricant |
|
Main | |
Type |
Vidéo
Questions / Réponses
à poser une question !
- Quelle est la durée de vie du produit ?
- Est-ce que le produit est facile à utiliser ?
Besoin d'aide
Articles
Pour trouver par moi-même

Comment installer une serrure de porte ?

Pêne de porte bloqué : que faire ?

Quels sont les différents types de serrures et comment ferment-ils ?

Sécurité de porte : une serrure à condamnation, c’est quoi ?

Changement de serrure : à la charge du locataire ou du propriétaire ?

Reconnaître le sens d’ouverture d’une porte : main gauche ou droite ?

Comment mesurer une serrure ?

Comment retourner et changer le pêne d’une serrure ?

Normes et réglementations PMR, tous à la porte

Les fenêtres de style haussmannien : une vue sur le Paris du Second Empire

Séparation d’une pièce : de la porte coulissante au claustra, des idées et des conseils pratiques

Solivage pour terrasse en bois : tout ce qu’il faut savoir !

Fenêtre oscillo-battante bloquée, pourquoi et que faire ?

Que faire en cas de serrure gelée ?

Quels sont les différents types de boulons ?

La norme TSA nécessaire pour quels pays ?

Cinq idées de poignées pour mettre en valeur vos portes blanches

Porte voilée, comment remédier au problème ?

8 astuces pour isoler votre porte d’entrée

Comment ouvrir une porte bloquée ?
Nous sommes à votre écoute
Je suis






Avis clients
Note
3/5 1 avis
1 avis vérifiés
0 | ||
0 | ||
1 | ||
0 | ||
0 |
Photos de nos clients
Il n'y a pas encore de photos laissées par nos clients. Soyez le premier !

-
3 / 5
Serrure en tôle pliée est de qualité moyenne, un peu bruyante lors du fonctionnement et semble ne pas avoir été graissée ! Le fabricant peu mieux faire: prix trop élevé !
Réf. article : 200201
Commandé le : 05/02/2024