Serrure à larder à cylindre - pêne dormant - axe 50 mm - Multibat JPM
Les points clés :
- Gamme Multibat : serrure à larder pour portes intérieures
- 210 : axe à 50 mm, canon pour cylindre européen
À partir de
Référence 7 versions disponibles 7 versions disponibles
En stock dans notre entrepôt (selon version)
Produits similaires
Descriptif détaillé
Description
Serrure à larder axe à 50 mm Multibat JPM :
- Sûreté à mortaiser NF CE EN12-209 pour cylindre profil européen – Coupe-feu en standard – pour portes simple vantail
- Axe 50 mm compatible avec garniture à fixation renforcée à 21,5 mm sous le fouillot
- Équerre au demi-tour (le dernier demi-tour de clé ouvre le pêne demi-tour)
- Pêne demi-tour bronze d’aluminium - réversible à embase renforcée
- Fouillot de condamnation carré de 6 mm
- Percements pour rosaces. La serrure est réversible (à 1 seule vis). Le fouillot est en bronze. Ressort renforcé
Contenu du colis
Livrée sans gâche
Caractéristiques techniques
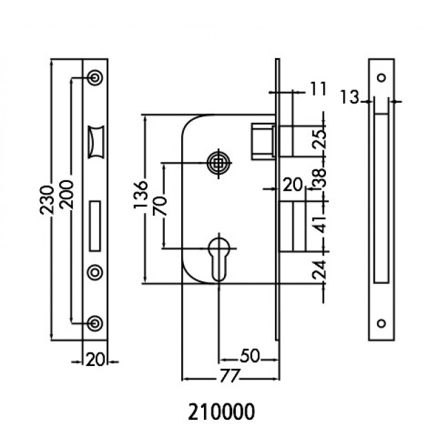
Appellation courante ou Famille | Serrure à larder monopoint |
---|---|
Axe | 50 mm |
Coloris | Noir |
Entraxe | 70 mm |
Fonction | Pêne dormant |
Hauteur du (des) coffre(s) | 136 mm |
Installation | A larder |
Largeur de la têtière | 20 mm |
Largeur du (des) coffre(s) | 77 mm |
Longueur de têtière | 230 mm |
Manoeuvre d'ouverture | Par action de la poignée |
Manoeuvre de condamnation | Avec la clé du cylindre |
Marque | JPM |
Matière du coffre | Acier |
Mesure du carré | 7 mm |
Nombre de points de condamnation | 1 |
Nombre de points de fermeture | 1 |
Spécificité | Serrure réversible droite / gauche |
Système de condamnation | Pêne dormant |
Système de fermeture | Pêne demi-tour |
Type d'ouverture | A la française |
Type d'ouvrant | Porte |
Type de cylindre | Européen |
Type de serrure | Monopoint |
Type de têtière | Plate à bouts ronds |
Version | Pêne demi-tour |
Code fabricant |
|
Conditionnement | |
Main | |
Matière de la têtière |
Vidéo
Garanties / Normes / Labels / Technologies Normes / Garanties...
- Conformes à la norme NF. Coupe-feu 1/2 heure.
Les accessoires
Questions / Réponses
sur ce produit ? Un de nos experts ou de
nos clients vous répondra.
-
ref 482747
Réponses 1
Besoin d'aide
Articles
Pour trouver par moi-même

Comment installer une serrure de porte ?

Pêne de porte bloqué : que faire ?

Quels sont les différents types de serrures et comment ferment-ils ?

Sécurité de porte : une serrure à condamnation, c’est quoi ?

Changement de serrure : à la charge du locataire ou du propriétaire ?

Reconnaître le sens d’ouverture d’une porte : main gauche ou droite ?

Comment mesurer une serrure ?

Comment retourner et changer le pêne d’une serrure ?

Normes et réglementations PMR, tous à la porte

Les fenêtres de style haussmannien : une vue sur le Paris du Second Empire

Séparation d’une pièce : de la porte coulissante au claustra, des idées et des conseils pratiques

Solivage pour terrasse en bois : tout ce qu’il faut savoir !

Fenêtre oscillo-battante bloquée, pourquoi et que faire ?

Que faire en cas de serrure gelée ?

Quels sont les différents types de boulons ?

La norme TSA nécessaire pour quels pays ?

Cinq idées de poignées pour mettre en valeur vos portes blanches

Porte voilée, comment remédier au problème ?

8 astuces pour isoler votre porte d’entrée

Comment ouvrir une porte bloquée ?

Gâche et pêne de porte : la fermeture d’une serrure à la loupe

Schéma d’une serrure à larder : tout savoir sur la fermeture de porte encastrée
Nous sommes à votre écoute
Je suis






Avis clients
-
5 / 5
Conforme à mes souhaits. Merci au tutto disponible et simple pour changer le sens de la gache
Réf. article : 483461
Commandé le : 27/09/2024
-
5 / 5
Produit conforme à la commande (dimensions disponibles et indispensables). Qualité / prix : très bien.
Réf. article : 605430
Commandé le : 23/08/2021
-
5 / 5
J’ai pu trouver une serrure dont les cotes correspondent parfaitement à mon besoin. Livraison rapide.
Réf. article : 473955
Commandé le : 27/04/2020
-
5 / 5
Serrure parfaite et vidéo d'explication pour changer la gâche de sens, juste parfait!
Réf. article : 605423
Commandé le : 31/01/2023
-
5 / 5
Très bien, conforme à mes attentes
Réf. article : 605430
Commandé le : 13/06/2024
-
5 / 5
Très bien, conforme à mes attentes
Réf. article : 605423
Commandé le : 13/06/2024
-
5 / 5
La commande elle même est conforme RAS de ce côté.
Réf. article : 605430
Commandé le : 30/10/2023
-
5 / 5
Bien comme serrure sauf que j'ai oublier de commander les cylindres oups
Réf. article : 482747
Commandé le : 25/10/2019
-
5 / 5
SITE A RECOMMANDER . TOUT EST PARFAIT ON NE PEUT FAIRE MIEUX; Bravo
Réf. article : 483461
Commandé le : 05/08/2019
-
5 / 5
article top qualité
Réf. article : 483461
Commandé le : 07/07/2025