Crémone avec panneton - ajustable haut par prolongateur - F15 FERCO
Les points clés :
- Pour chassis 2 vantaux
- Universelle
- Ajustable en partie haute par prolongateur
- Panneton central
À partir de
Trouvez votre crémone


Référence 6 versions disponibles 6 versions disponibles
En stock dans notre entrepôt (selon version)
Produits similaires
Descriptif détaillé
Description
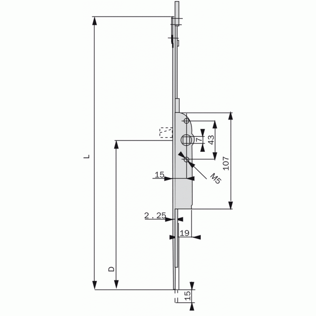
Ajustable en partie haute par prolongateur, cette crémone universelle GU FERCO est un modèle à verrouillage haut et bas et panneton central ou galet. Elle est composée d'une têtière de 16 x 2,5 mm et d'un fouillot carré de 7 mm, axe à 15 mm.
Le boîtier a pour dimension 107 x 19 x 12 mm, il est fabriqué en acier traité ferGUard argent®.
Il est nécessaire de prévoir avec cette crémone :
- Deux gâches d'extrémité (code 119797 ou 385329)
- Une gâche de panneton (code 119615 ou 506393)
- N'oubliez pas également un prolongateur (A-01197) et une gâche de galet (code 120238) si le prolongateur en est pourvu
Pour choisir le prolongateur A-01197 :
Hauteur fond de feuillure (HFF) (hauteur totale de la porte) - Hauteur de la têtière = espace à prolonger > choisir le prolongateur immédiatement plus long.
Ex : Pour une HFF de 2040 mm, si la cote D est 980 mm, il faut choisir la crémone 20395-15-0-1 ; elle fait 1479 mm de haut. Soit 2040 - 1479 = 561 mm. Il faut donc prendre un prolongateur de 620 mm recoupable.
Crémone de remplacement pour le modèle suivant :
- E-20088
Contenu du colis
Livrées sans prolongateur.
Caractéristiques techniques
Axe | 15 mm |
---|---|
Carré | 7 mm |
Conditionnement | Unitaire |
Epaisseur du boitier | 12 mm |
Finition | Zinguée |
Hauteur de boitier | 107 mm |
Installation | A larder |
Largeur de boitier | 19 mm |
Largeur de têtière | 16 mm |
Marque | FERCO |
Nombre de pannetons | 1 |
Spécificités | Cote D fixe, non sécable |
Type d'ouverture | A la française |
Type de boîtier | F15 |
Type de serrure | Multipoints |
Type de verrouillage | Pêne haut et bas - panneton latéral |
Épaisseur de têtière | 2,50 mm |
Code fabricant |
|
Cote D (mm) | |
Longueur de têtière (mm) |
Les accessoires
Questions / Réponses
sur ce produit ? Un de nos experts ou de
nos clients vous répondra.
-
Cremone FERCO F15 ancien model
Réponses 1 -
Changement crémone ferco G12386
Réponses 1 -
Cremone
Réponses 1 -
Bonjour
Réponses 1 -
remplacer une crémone E20088
Réponses 1
Besoin d'aide
Articles
Pour trouver par moi-même

Choisir et poser une crémone

Reconnaître le sens d’ouverture d’une porte : main gauche ou droite ?

Fenêtre bloquée fermée impossible à ouvrir, que faire ?

Le lexique de la fenêtre : zoom sur la crémone

Comment démonter et poser une crémone ?

Comment mesurer et changer une crémone GU FERCO ?

Comment retourner et changer le pêne d’une serrure ?

Normes et réglementations PMR, tous à la porte

Les fenêtres de style haussmannien : une vue sur le Paris du Second Empire

Séparation d’une pièce : de la porte coulissante au claustra, des idées et des conseils pratiques

Solivage pour terrasse en bois : tout ce qu’il faut savoir !

Fenêtre oscillo-battante bloquée, pourquoi et que faire ?

Que faire en cas de serrure gelée ?

Quels sont les différents types de boulons ?

La norme TSA nécessaire pour quels pays ?

Cinq idées de poignées pour mettre en valeur vos portes blanches

Porte voilée, comment remédier au problème ?

8 astuces pour isoler votre porte d’entrée

Comment ouvrir une porte bloquée ?

Comment fonctionne une crémone GU FERCO ?
Nous sommes à votre écoute
Je suis






Avis clients
-
5 / 5
Produit parfait mais malheureusement m'étant trompe sur le modèle (ancien modèle), jai contacte Romain du Service commercial B2B qui a pris en charge ma demande et m'a conseillé pour commander le bon modèle. Retour possible mais a mes frais (erreur de ma part ou du moins c'était un vieux modèle car la Longueur de la tetiere et sa largeur correspondait mais la crémone était positionnée plus basse)) A l'aide d'un plan avec photos je fais prendre les mesures de ma têtière et crémone et ainsi Romain pourra me donner la référence correspondant a ma nouvelle commande de crémone. Merci Jacques
Réf. article : 490629
Commandé le : 10/07/2024
-
4 / 5
Adaptable à plusieurs dimensions de fenetre Il me fallait aussi une cremone encastrable j'avais demander de l'aide on m'a répondu que vous n'aviez pas J'avais envoyé un dessin avec les cotes et une photo En fait vous avez sur votre catalogue la fameuse cremone Dommage pour vous et moi car au niveau des prix vous êtes competitifs
Réf. article : 490636
Commandé le : 28/08/2020
-
4 / 5
Comme le crémones/prolongateurs se montent ensemble, je fais un commentaire global : il manque un manuel de montage (rien de fourni). j'ai mis, par exemple, un moment à situer le bridage des prolongateurs (ne voulant pas les abîmer). Sinon ça a l'air bien. A voir dans le temps
Réf. article : 490636
Commandé le : 11/08/2023
-
5 / 5
Parfait, référence relevé sur l'ancienne crémone. commandé, vite reçu. Installé. Tout bon. bon, après, ça reste de la serrurerie, j'ai dû graissé un peu, limé une pièce du dormant, bref un peu d'ajustement normal sur une porte fenètre qui a 20ans...
Réf. article : 490650
Commandé le : 14/08/2025
-
5 / 5
Parfait, et les conseils au téléphone et par mail ont été pertinents, efficaces ; ils m'ont bien aidé à faire une commande adaptée à ma fenêtre hors standard. Très belle entreprise qui n'a rien à envier aux spécialistes de la vente par internet...
Réf. article : 490643
Commandé le : 12/08/2022
-
5 / 5
Remplace les anciennes crémones de cette marque qui étaient en un seul morceau. Se pose facilement mail il faut bien réfléchir avant de faire la découpe. Super bien emballé avec renfort en bois afin qu'elle ne se torde pas durant la livraison.
Réf. article : 490650
Commandé le : 20/11/2021
-
5 / 5
Très bien, modèle standard (attention à la largeur type). Le système précédent a tenu 17 ans. Usure de mécanisme de la gache sur deux portes fenêtres beaucoup utilisées vers le jardin à un an d'écart...
Réf. article : 490650
Commandé le : 23/08/2024
-
5 / 5
remplacement impeccable malgré une distance de 15 au carré au lieu de 17 pour l'ancienne fermeture. bon pas le choix je n'ai vu que du 15.prevoir une vis de plus par rapport a l'ancienne fermeture (10 vis en tous avec le prolongateur.
Réf. article : 490650
Commandé le : 27/10/2020
-
5 / 5
Super rapport qualité prix, et frais de port plus que correct vue le délai commandé le.samedi envoi lundi recu mardi et de plus parfaitement emballé car cremone de fenêtre longue et fragile je recommande 100 pour 100
Réf. article : 490650
Commandé le : 03/11/2019
-
3 / 5
Le produit ne correspondait pas! Pour quelqu'un qui ne maitrise pas le vocabulaire technique il est difficile de trouver la bonne pièce, les explications ne sont pas assez précises notamment sur les différents types de fermeture !
Réf. article : 490650
Commandé le : 01/10/2019