Serrure à larder - pêne dormant basculant et 1/2 tour - axe 92 mm ISEO CITY
Les points clés :
- Serrure à larder pour profil étroit
À partir de
Référence 4 versions disponibles 4 versions disponibles
En stock dans notre entrepôt (selon version)
Produits similaires
Descriptif détaillé
Description
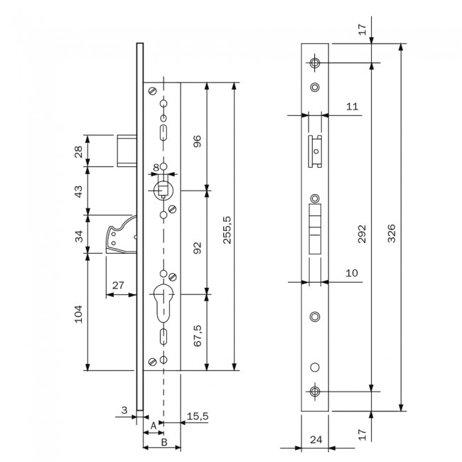
Cette serrure est à pêne dormant basculant en zamak anti-sciage et demi-tour. Elle résiste à la remontée jusqu'à 1000 kg.
Le coffre de 19 millimètres d’épaisseur est entièrement fermé ce qui évite un mauvais fonctionnement du mécanisme à cause de la limaille. La hauteur du coffre est de 255,5 millimètres.
Cette serrure est dotée d'un mécanisme à pignon et crémaillère avec système anti-désindexation. Vous pouvez régler la souplesse et la profondeur du pêne demi-tour de 12 à 16 millimètres. Cette serrure s'installe sur les cylindre européen. Le rappel du demi-tour se fait grâce à la clé.
La têtière plate de 326 x 24 x 3 mm est en inox 304. L'entraxe est de 92 millimètres. Le fouillot possède un carré de 8 millimètres. Cette serrure résiste au brouillard salin 240 h.
Normes EN 12209 et EN PR 15685 Les produits disposant de ces normes répondent aux exigences et aux essais relatifs à la résistance, la sécurité, l’endurance, la mise en application et le fonctionnement des coffres de serrures manœuvrés mécaniquement. Elles permettent ainsi de bénéficier du marquage CE.
Contenu du colis
Livrées sans cylindre et sans gâche.
Caractéristiques techniques
| Appellation courante ou Famille | Serrure à larder monopoint |
|---|---|
| Conditionnement | Unitaire |
| Destination | Pour profils étroits |
| Entraxe | 92 mm |
| Fonction | Pêne dormant |
| Hauteur du (des) coffre(s) | 255,50 mm |
| Installation | A larder |
| Largeur de la têtière | 24 mm |
| Longueur de têtière | 326 mm |
| Main | Réversible |
| Manoeuvre d'ouverture | Par action de la poignée ou de la clé du cylindre |
| Manoeuvre de condamnation | Avec la clé |
| Marque | ISEO |
| Matière de la têtière | Inox |
| Mesure du carré | 8 mm |
| Nombre de points de condamnation | 1 |
| Nombre de points de fermeture | 1 |
| Spécificité | Résistance renforcée des pênes à l'effraction |
| Système de condamnation | Pêne dormant basculant |
| Système de fermeture | Pêne demi-tour |
| Type d'ouverture | A la française |
| Type d'ouvrant | Porte |
| Type de cylindre | Européen |
| Type de serrure | Monopoint |
| Type de têtière | Plate à bouts carrés |
| Version | Pêne demi-tour |
| Code fabricant |
|
| Axe (mm) | |
| Largeur du (des) coffre(s) (mm) |
Garanties / Normes / Labels / Technologies Normes / Garanties...
Les accessoires
Questions / Réponses
à poser une question !
- Quelle est la durée de vie du produit ?
- Est-ce que le produit est facile à utiliser ?
Besoin d'aide
Articles
Pour trouver par moi-même
Comment installer une serrure de porte ?
Quels sont les réglages à faire pour une porte d’entrée ?
Pêne de porte bloqué : que faire ?
Quels sont les différents types de serrures et comment ferment-ils ?
Sécurité de porte : une serrure à condamnation, c’est quoi ?
Changement de serrure : à la charge du locataire ou du propriétaire ?
Reconnaître le sens d’ouverture d’une porte : main gauche ou droite ?
Comment mesurer une serrure ?
Comment retourner et changer le pêne d’une serrure ?
Normes et réglementations PMR, tous à la porte
Les fenêtres de style haussmannien : une vue sur le Paris du Second Empire
Séparation d’une pièce : de la porte coulissante au claustra, des idées et des conseils pratiques
Solivage pour terrasse en bois : tout ce qu’il faut savoir !
Fenêtre oscillo-battante bloquée, pourquoi et que faire ?
Que faire en cas de serrure gelée ?
Quels sont les différents types de boulons ?
La norme TSA nécessaire pour quels pays ?
Cinq idées de poignées pour mettre en valeur vos portes blanches
Porte voilée, comment remédier au problème ?
8 astuces pour isoler votre porte d’entrée
Comment ouvrir une porte bloquée ?
Gâche et pêne de porte : la fermeture d’une serrure à la loupe
Schéma d’une serrure à larder : tout savoir sur la fermeture de porte encastrée
Nous sommes à votre écoute
Je suis
Voir aussi
Derniers produits vus