Crémone pompier - 2 points - poignée à pousser - Sevad 5206 LA CROISÉE DS
Les points clés :
- Pour le vantail de service
- Tringle vendue à part
À partir de
Produits similaires
Descriptif détaillé
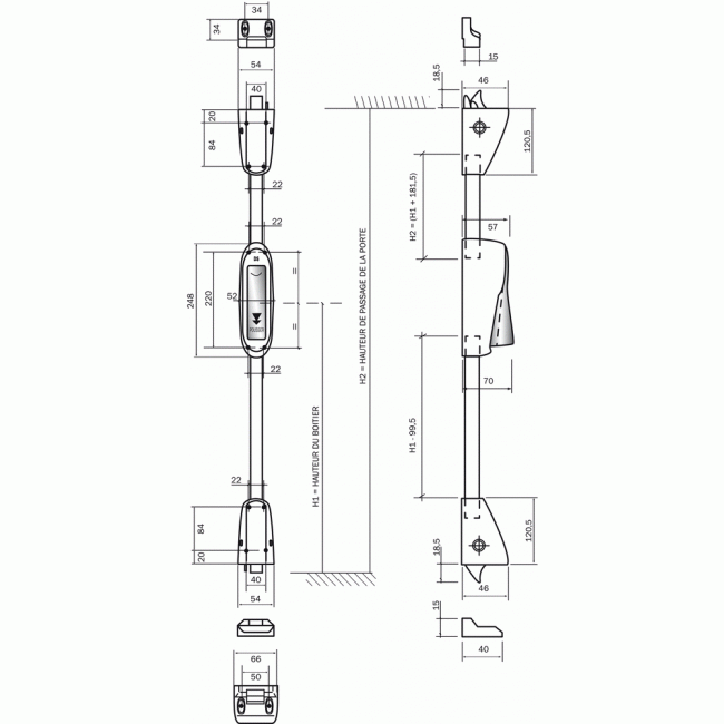
Description
Cette crémone pompier Sevad 5206 La Croisée DS permet d'équiper un vantail de service, le vantail semi-fixe étant équipé par exemple d'une crémone Déesse.
- Convient à tous types de porte Bois / Alu / PVC / Acier
- Produit concernant les dispositions de la Directive UE Produits de la construction (89/106/CEE)
- Conçue pour répondre à la norme NF EN 179 : 2008
- Apte à équiper des portes coupe feu ou pare flamme : 1 heure - attestation synthétique RS08-076.
- Classe EI2 60 selon NF 1634-1
Ajoutée à une tringle recoupable en 2500 mm de référence 6888, cette crémone et sa garniture (fournie) permet de constituer une fermeture d'urgence SEVAD complète.
Son système compact de poussoir intégré à l'enjoliveur supprime les risques de blocage du mécanisme.
Il s'agit d'un complément indispensable à la crémone dite 'pompier'.
Cette crémone bénéficie en outre d'un système de ré-empennage automatique à la fermeture. Elle convient aux menuiseries en aluminium, en bois, en PVC, et en acier.
Cet ensemble comprend :
- Le boîtier central (la crémone),
- Un verrou haut et un verrou bas,
- Une gâche haute et une gâche basse.
Fermeture à poussoir manoeuvrée en direction de la sortie par rotation vers le bas. Le poussoir retrouve sa position d’origine après une manoeuvre et en condition pour une future utilisation.
- Dispositif de réengagement automatique des pênes en position verrouillée à la fermeture du vantail.
- Dispositif de maintien des pênes en position rétractée, le vantail en position d’ouverture.
- Dispositif de blocage en position verrouillée de chaque pêne assurant une fonction anti-effraction.
Aucun espace ne peut coincer une tige de Ø10mm lors d’une manoeuvre ou recevoir par inadvertance un objet bloquant ou gênant la manoeuvre.
Tringle identique : Fermeture d’urgence / Crémones “Pompier”
- Résistance à la corrosion - 240 heures Grade 4
- Endurance > 100 000 cycles
- Apte à équiper un bloc porte coupe feu et pare flamme 1 heure recto/verso, attestation synthétique RS08-076
Contenu du colis
Livrée sans tringle
Caractéristiques techniques
Conditionnement | Unitaire |
---|---|
Gamme | SEVAD |
Installation | En applique |
Main | Réversible |
Manoeuvre d'ouverture | Par poussoir |
Marque | LA CROISÉE DS |
Mécanisme | A tringle |
Nombre de points de fermeture | 2 |
Système de fermeture central | Aucun |
Système de fermeture secondaire | Par pêne basculant |
Type d'ouverture | A la française |
Type d'ouvrant | Porte de secours |
Type de fermeture | Haut et bas |
Type de serrure | Multipoints |
Code fabricant |
|
Coloris |
Documents techniques
Les accessoires
Questions / Réponses
à poser une question !
- Quelle est la durée de vie du produit ?
- Est-ce que le produit est facile à utiliser ?
Besoin d'aide
Articles
Pour trouver par moi-même

Choisir et poser une crémone

Reconnaître le sens d’ouverture d’une porte : main gauche ou droite ?

Fenêtre bloquée fermée impossible à ouvrir, que faire ?

Le lexique de la fenêtre : zoom sur la crémone

Comment démonter et poser une crémone ?

Comment mesurer et changer une crémone GU FERCO ?

Comment retourner et changer le pêne d’une serrure ?

Normes et réglementations PMR, tous à la porte

Les fenêtres de style haussmannien : une vue sur le Paris du Second Empire

Séparation d’une pièce : de la porte coulissante au claustra, des idées et des conseils pratiques

Solivage pour terrasse en bois : tout ce qu’il faut savoir !

Fenêtre oscillo-battante bloquée, pourquoi et que faire ?

Que faire en cas de serrure gelée ?

Quels sont les différents types de boulons ?

La norme TSA nécessaire pour quels pays ?

Cinq idées de poignées pour mettre en valeur vos portes blanches

Porte voilée, comment remédier au problème ?

8 astuces pour isoler votre porte d’entrée

Comment ouvrir une porte bloquée ?
Nous sommes à votre écoute
Je suis






Voir aussi
Derniers produits vus