Raidisseur pour porte de meuble - redresseur - Eku HAWA
Les points clés :
- Stabilisation des portes de meubles
- Silencieux
À partir de
Référence 2 versions disponibles 2 versions disponibles
En stock dans notre entrepôt (selon version)
Produits similaires
Descriptif détaillé
Description
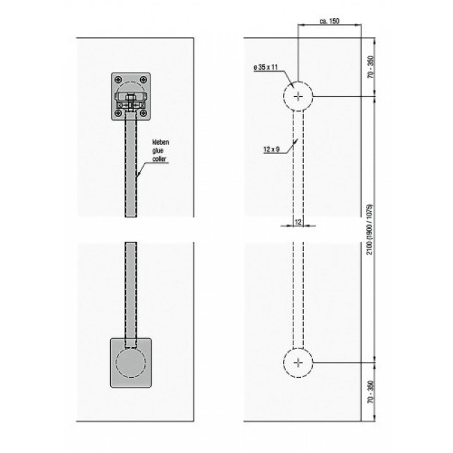
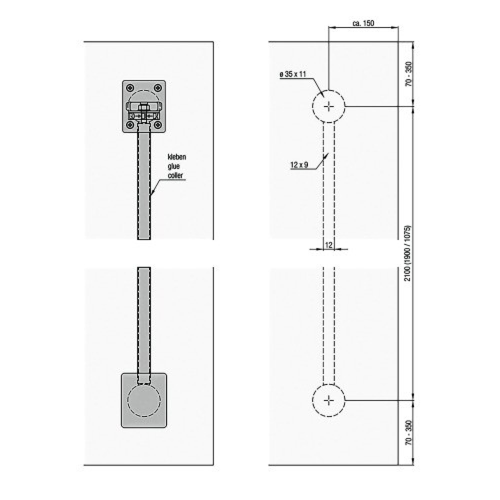
Cet accessoire de porte coulissante / pliante évite la déformation des portes, la ferrure de redressement stabilisant les portes en bois jusqu’à 80 kg.
La structure maintient la porte en place et reste silencieuse pendant le fonctionnement
Collés ou montés avec des brides.
Contenu du colis
Vendu à la paire.
Caractéristiques techniques
Hauteur | 2040 à 2600 mm |
---|---|
Marque | HAWA |
Offre | Stockée par Legallais |
Code fabricant |
|
Finition | |
Type |
Documents techniques
Questions / Réponses
à poser une question !
- Quelle est la durée de vie du produit ?
- Est-ce que le produit est facile à utiliser ?
Besoin d'aide
Nous sommes à votre écoute
Je suis






Voir aussi
Derniers produits vus