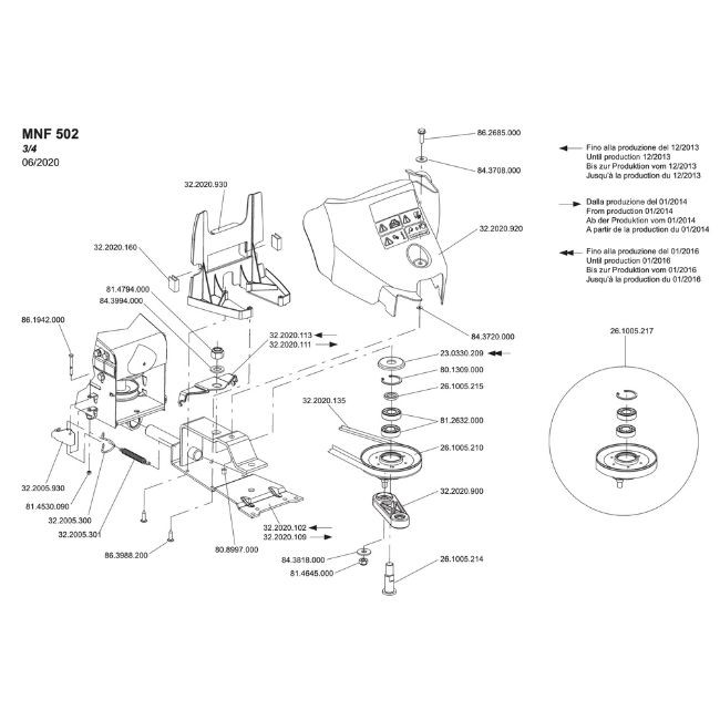
Pièces détachées pour barre de coupe Minieffe 502 - éclaté n°3 EUROSYSTEMS
Les points clés :
- Pièces de rechange disponibles pour l'accessoire barre de coupe Minieffe M502
- Eclaté n°3
- Ni repris ni échangés
À partir de
Référence 2 versions disponibles 2 versions disponibles
En stock chez notre fournisseur
Produits similaires
Descriptif détaillé
Description
- Pièces de rechange disponibles pour l'accessoire barre de coupe Minieffe M502
- Ces articles ne sont ni repris ni remboursés. Ils sont disponibles à la demande uniquement.
- Merci de bien vérifier le numéro de la pièce avant toute commande.
Caractéristiques techniques
| Code fabricant | 
 | 
|---|---|
| N° de pièce | |
| Référence de la pièce | 
Questions / Réponses
à poser une question !
- Quelle est la durée de vie du produit ?
- Est-ce que le produit est facile à utiliser ?
Besoin d'aide
Articles
Pour trouver par moi-même
Nous sommes à votre écoute
Je suis
 
                         
                         
                     
                         
                         
                    Voir aussi
Derniers produits vus
 
                 
                                
                             
                                 
                                     
                                     
                        
                    